HSY10T環鏈電動葫蘆是重慶山燕(重工)集團設計生產的一款起重設備。
由電動機,傳動機構和鏈輪組成。起重量為10噸,起升高度為3~120米。HSY環鏈電動葫蘆的使用范圍很廣,應用于車間、倉庫、風力發電、物流、碼頭、建筑等場合。此款電動葫蘆與單雙梁起重機,旋臂吊,龍門架配合使用,可用于吊運或者裝卸貨物,也可以用于精密模具的安裝調試與維修。操作人員用按鈕在地面跟隨操縱,也可在操控室內操縱或采用有線(無線)遠距離控制。這款電動葫蘆既可固定懸掛使用,又可配電動單軌小車及手推/手拉單軌小車行走使用。

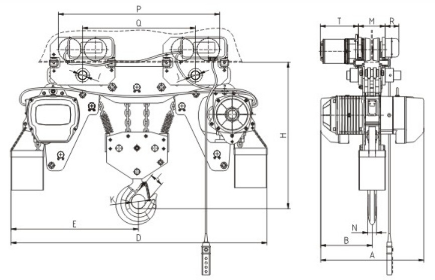
10T環鏈電動葫蘆
1.外殼: 外殼輕巧而堅固,散熱率高,全密封性設計適合在作業條件較差的環境中使用。
2.逆相保護裝置:為特殊電器裝置,當電源接線錯誤時,控制電路無法工作。
3.極限開關:重物吊上吊下都有極限開關裝置,使電機自動停止,以防止鏈條超出,確保安全。
4.24V/36V裝置: 當在操作時如遇到開關漏電,可防止意外事故發生。
5.制動裝置:此裝置可以實現在電源切斷時瞬間剎車。
6.鏈條袋:輕巧、美觀、耐用。
7.鏈條:采用進口FEC80超強熱處理合金鋼鏈條。
| 型號 | HSY10-04S | HSY10-04D |
| 額定荷載(T) | 10T | |
| 起升速度(m/min) | 2.7 | 2.7/0.9 |
| 電機功率(0.8kw) | 3.0×2 | 3.0×2/1.0×2 |
| 轉速(r/min) | 1440r/min | 2880/960 |
| 電機絕緣等級 | F級 | |
| 工作電壓 | 3-Fhase 380V 50HZ | |
| 控制電壓 | 24V/36V/48V | |
| 鏈條回數 | 4 | |
| 鏈條規格 | φ11.2 | |
| 凈重kg | 300 |
380 |

10T環鏈電動葫蘆設計圖更多關于電動葫蘆的文章請關注:http://www.cn-santai.com